Optical digital sensor “TKA-DOTS”
PRICE:
PRICE:
27,360 руб
TU 26.51.53-006-16796024-2020.
The sensor is designed to measure (depending on the type of sensor):
- irradiation in the spectral regions:
- 315 – 400 nm (UV-A zone),
- 280 – 315 nm (UV-B zone),
- 280 – 400 nm (UV-A + B zone),
- 200 – 280 nm (UV-C zone),
- illumination in the visible region of the spectrum [lx];
- brightness in the visible spectrum [cd / m 2 ]
Operating conditions: from -30 to +60 ° С.
Information output on UART.
Supplied factory calibrated.
Terms of delivery 100% prepayment.
Production time up to 30 working days after payment.
- Description
- Appointment
- Application area
- Устройство и работа
- Документы
Description
| Measured value dynamic range | 1.00 ÷ 1,000,000 |
| Graduation error, no more | ± (3.0 ÷ 5.0)% |
| The limits of the additional relative error of the device when measuring optical quantities, due to the change in the sensitivity of the photometric head when the air temperature in the measurement zone changes by every 10 ° С in the range from -30 ° С to 15 ° С and from + 25 ° С to 60 ° С | ± 3.0% |
| Dimension of the measured value depending on the type of sensor: Irradiance Illumination Brightness | mW / m 2 lux cd / m 2 |
| Duration of a single measurement | 2 ms |
| Angular characteristic of the sensor sensitivity depending on the type * | |
| Irradiance level 1, not less | ± 10.0 ° |
| Illumination | cosine |
| Brightness level 1, not less | ± 12.5 ° |
| Performance parameters | |
| UART interface operating voltage | 3 in |
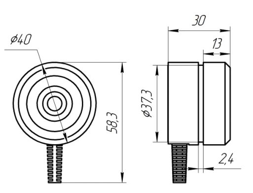
| Overall dimensions of the sensor | Ø40 x 30 mm |
| Length of cable | 1.2 m |
| Connector type | 4-pin mini XLR |
| Weight, no more | 100 g |
| Ambient temperature | from -30 to +60 ° C |
| Relative air humidity at an ambient temperature of +25 ° С | up to 98% |
| Atmospheric pressure range | 80 ÷ 110 kPa |
The sensor is designed to measure (depending on the type of sensor) irradiance in the spectral regions:
- 315 – 400 nm (UV-A zone),
- 280 – 315 nm (UV-B zone),
- 280 – 400 nm (UV-A + B zone),
- 200 – 280 nm (UV-C zone),
illumination or brightness in the visible region of the spectrum.
Execution of work under sanitary and technical supervision in residential and industrial premises, certification of workplaces and other areas of activity.
Конструктивно датчик выполнен в виде единого блока с кабелем для осуществления подключения питания и обмена данными. Принцип работы датчика заключается в преобразовании фотоприёмным устройством оптического излучения в электрический сигнал с последующей передачей результата измерения по проводному интерфейсу в виде цифрового кода. В корпусе датчика по диаметру сделана проточка шириной 2,4 мм для крепления датчика на штативное крепление (опция) или на оснастке, имеющейся у потребителя. Для работы датчика подключение может производиться к Блоку обработки информации (ЮСУК.10.0002 БОИ «ТКА-УФД», поставляется отдельно) или любому устройству, имеющему соответствующие характеристики. Обмен данными производится по протоколу UART. Параметры подключения:
- Бодрейт (Baud rate) 115200;
- Биты данных (Data bits) 8;
- Стоп-биты (Stop bits) 1;
- Четность (Parity) нет (none).
Разъем и обозначение контактов (вид спереди)
Положение плоскости фотометрирования в зависимости от спектрального диапазона датчика














